Du kannst keine neue Antwort schreiben
Seiten (2): [1] 2 »

Autor Thema 
Arnd

Raketenbauer

Registriert seit: Okt 2003

Wohnort: Irgendwo in Deutschland

Verein: Dera.eV , AGM,T2

Beiträge: 159

Status: Offline

Beitrag 7270917 , neues Startgerät 1215 [Alter Beitrag16. November 2010 um 23:56]

[Melden] Profil von Arnd anzeigen    Arnd eine private Nachricht schicken   Arnd besitzt keine Homepage    Mehr Beiträge von Arnd finden

Moin miteinander,

mal wieder was neues aus meiner Schmiede.
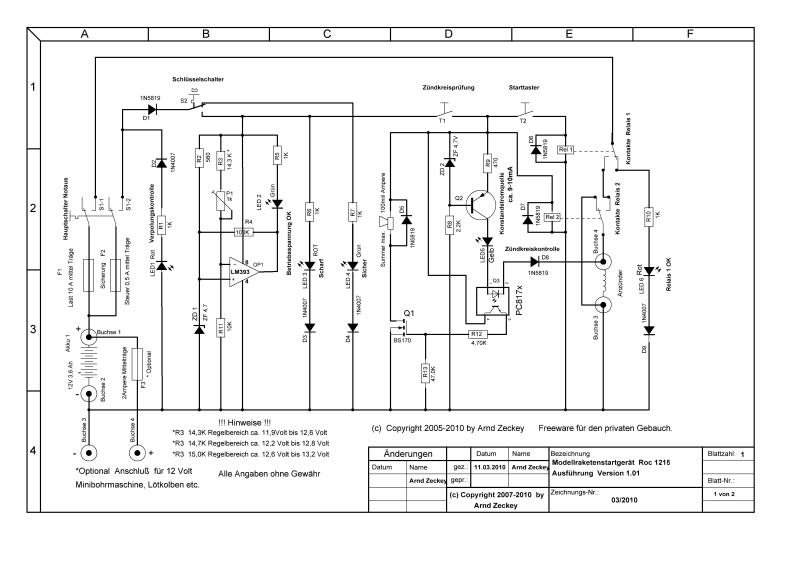
Hier ist das neue Startgerät 1215. Im neuen Startgerät sind viele der Wünsche und Anregungen die mir zugetragen worden eingeflossen.
Gegenüber dem 1213 wurde das Startgerät um eine optische Anzeige Sicher /Scharf erweitert. Weiterhin würde die Betriebsspannungsanzeige anstatt mittles Z-Diode über eine Komparatorschaltung realisiert. Über einen Trimmer kann eine Feinabstimmung ab welcher Spannung die Led Betriebsspannungsanzeige verlischt eingestellt werden.




• Zündkreisprüfung optisch über Konstandstromquelle mit einem Zündstrom von ca. 8 bis 10mA. Akustisch Galvanisch getrennt mittels Optokoppler über Summer.
• Optische Überwachung ob Relais 1 Ok ist. Kleben der Kontakte.
• Überbrückung des Anzünders im Ruhezustand.
• Optische Anzeige Sicher / Scharfstellung
• Anzünder wird über Lastrelais mit Strom versorgt.
• Optische Verpolungsanzeige.
• Betriebsspannungsanzeige mittels Komparatorschaltung Feineinstellbar über Trimmer.
• Optische und Akustische Kontrolle ob Anzünder anliegt. LED und Summer.
• Leicht nachzubauen, da nur leicht zu beschaffende Bauteile Verwendung finden.

Das Projekt ist Freeware für den privaten Gebrauch.




Cu Arnd

Geändert von Arnd am 16. November 2010 um 23:59

bully

Epoxy-Meister

bully

Registriert seit: Nov 2004

Wohnort: Bayern

Verein: Solaris-RMB

Beiträge: 463

Status: Offline

Beitrag 7271903 [Alter Beitrag17. November 2010 um 17:50]

[Melden] Profil von bully anzeigen    bully eine private Nachricht schicken   bully besitzt keine Homepage    Mehr Beiträge von bully finden

Zitat:
Original geschrieben von Arnd

...Leicht nachzubauen, da nur leicht zu beschaffende Bauteile Verwendung finden.

Das Projekt ist Freeware für den privaten Gebrauch.




Cu Arnd




n'Abend Arnd,
wie groß, wie schwer, welche Spannungsquelle und -Bereich und wie komme ich an dein Projekt??
Viele Fragen aber die werden sicher auch noch andere Raketeure interessieren. Stelle doch mal dazu ein paar konkrete Daten hier rein.

LG Michael



Aus jedem Versuch wird man etwas mehr kluch!?
Arnd

Raketenbauer

Registriert seit: Okt 2003

Wohnort: Irgendwo in Deutschland

Verein: Dera.eV , AGM,T2

Beiträge: 159

Status: Offline

Beitrag 7271905 [Alter Beitrag17. November 2010 um 23:04]

[Melden] Profil von Arnd anzeigen    Arnd eine private Nachricht schicken   Arnd besitzt keine Homepage    Mehr Beiträge von Arnd finden

Moin Michael,


ich stell den Schaltplan mal zur Diskussion rein. Das 1215 ist die weiterentwicklung der bekannten
Startgeräte Serie 1207 und 1213. Vom 1213 gibt es hier im Forum ja ein paar Bauberichte.






Die fertig aufgebaute Platine hat die
Abmaße Länge 100mm x Breite ca.53mm Höhe ca 25mm

Gewicht ca. 120 Gramm Das Gerwicht des Moduls dürfte in einer Startbox eh eine
eher untergeordnete Rolle spielen.

Ausgelegt ist das Startgerät für Blei oder Bleigel Akkus mit eine
Nennspannung von 12 Volt. Alles andere macht imho eh wenig Sinn.
Die Betriebspannunganzeige kann im Bereich von ca. 11,9 bis 12.6 Volt über einen
Trimmer eingestellt werden.

Die eingebauten Print Relais können max. einen Strom von 16 Ampere ab.

Es können alle mir zur Zeit bekannten Anzünder verwendet werden.
Von Brückenanzünder A und U bis zum selbstgebauten Glühanzünder.

T2 Konform ist das Startgerät 1215 selbstverständlich auch.

Ich bin zur Zeit dabei ein Projekt Paket mit Schaltplan, Bildern, etc. am schnüren.
Such noch ein paar Leute zwecks Korrekturlesung.

Wer nicht die Möglichkeit hat so ein Modul selbst zusammen zu löten.
Fertige Module wird es sicherlich bei Holger_T im Shop geben.

Offene Fragen werden immer gerne beantwortet, dafür ist ein Forum ja da.


Cu Arnd





Geändert von Arnd am 17. November 2010 um 23:19

bully

Epoxy-Meister

bully

Registriert seit: Nov 2004

Wohnort: Bayern

Verein: Solaris-RMB

Beiträge: 463

Status: Offline

Beitrag 7271911 [Alter Beitrag17. November 2010 um 23:21]

[Melden] Profil von bully anzeigen    bully eine private Nachricht schicken   bully besitzt keine Homepage    Mehr Beiträge von bully finden

Hallo Arnd,
schaut ja wirklich sehr interessant aus. Wenn man die Platine vlt noch weiter verkleinern würde und auch kleinere Relais einbaut mit minimal 9Volt Betriebsspannung, dann könnte ich das Teil sogar in meiner SM62 einbauen. Möchte nämlich die Zusatzbooster unter der Tragfläche während des Fluges zünden für einen sicheren Landeanflug, falls der Schirm nicht rauskommen sollte.
Läßt sich das mit dem verkleinern nicht realisieren, kommt es halt in meine Startbox und wird gegen das alte Zündgerät ausgetauscht. Mal sehen wie es damit weiter geht, bin schon sehr gespannt darauf. Hast du auch schon ein Bestückungslayout?

LG Michael





Aus jedem Versuch wird man etwas mehr kluch!?
Arnd

Raketenbauer

Registriert seit: Okt 2003

Wohnort: Irgendwo in Deutschland

Verein: Dera.eV , AGM,T2

Beiträge: 159

Status: Offline

Beitrag 7271912 [Alter Beitrag17. November 2010 um 23:43]

[Melden] Profil von Arnd anzeigen    Arnd eine private Nachricht schicken   Arnd besitzt keine Homepage    Mehr Beiträge von Arnd finden

Moin Michael,

wenn Du Zusatzbooster unter der Tragfläche während des Fluges
für einen sicheren Landeanflug anzünden willst, wäre eine Zündung
der Booster über eine Elektronik sinnvoller. Sowohl in Analog oder in Digital
Technik sollte das recht einfach zu realisieren sein.

Bei Robert Klima gibt es das hier.
Zitat:
Zum sicheren Zünden der Elektrozünder über eine Modellbau-Fernsteuerung braucht man einen Zündschalter. Dieser wurde speziell dafür entwickelst und ist einzigartig auf dem Markt. R/C Sicherheits-Zündschalter für Rauchpatronen, Raketentreibsätze und Zusatzfunktionen. Artikel-Nr.: 7070


Quelle: www.raketenmodellbau-klima.de


Cu Arnd






Geändert von Arnd am 17. November 2010 um 23:58

bully

Epoxy-Meister

bully

Registriert seit: Nov 2004

Wohnort: Bayern

Verein: Solaris-RMB

Beiträge: 463

Status: Offline

Beitrag 7271916 [Alter Beitrag18. November 2010 um 00:18]

[Melden] Profil von bully anzeigen    bully eine private Nachricht schicken   bully besitzt keine Homepage    Mehr Beiträge von bully finden

Hallo Arnd,
das ist genau das was ich mir vorgestellt habe und der Preis ist auch OK.
Danke für den Tip, da kann ich ja sogar die Servos da lassen wo sie gerade
eingebaut sind.

LG Michael




Aus jedem Versuch wird man etwas mehr kluch!?
Hans R

Raketenbauer

Hans R

Registriert seit: Jul 2007

Wohnort: Lkr. GP

Verein: Solaris

Beiträge: 144

Status: Offline

Beitrag 7284903 [Alter Beitrag15. Dezember 2010 um 20:38]

[Melden] Profil von Hans R anzeigen    Hans R eine private Nachricht schicken   Hans R besitzt keine Homepage    Mehr Beiträge von Hans R finden

Hallo zusammen,
hier der Baubericht dazu
Die Platine im Lieferzustand

Zuerst werden die 13 Widerstände, 9 Dioden, 2 Z- Dioden sowie die Fassungen DIL 14 und DIL 4 eingelötet. Bei den Dioden muß die richtige Einbaulage unbedingt beachtet werden.

Dann kommen Poti und die beiden Transistoren an die Reihe.


Es folgen die Anreihklemmen für LEDs, Schalter, Buzzer und die Anschlußstecker für die Versorgung und Zünderausgang. Die vorhandenen Bohrungen waren etwas zu klein, ich habe sie mit einem 1,2 mm Bohrer weiter aufgemacht.


Zum Schluß wird der Sicherungshalter für die Steuerseite und die beiden Relais eingelötet.
Dann den IC und den Optokoppler ind die Fassungen einstecken. Vorsicht, die Beinchen können leicht verbogen werden. Die richtige Lage beim IC unbedingt beachten.



So die Löterei ist damit beendet.

Grüßle aus dem wilden Süden,
Reiner
Hans R

Raketenbauer

Hans R

Registriert seit: Jul 2007

Wohnort: Lkr. GP

Verein: Solaris

Beiträge: 144

Status: Offline

Beitrag 7284904 [Alter Beitrag15. Dezember 2010 um 20:43]

[Melden] Profil von Hans R anzeigen    Hans R eine private Nachricht schicken   Hans R besitzt keine Homepage    Mehr Beiträge von Hans R finden

Tja, irgendwie sind mir die Bildchen etwas durcheinander geraten. Aber ich denke mal man sieht schon wie es eigentlich sein sollte...

Grüßle aus dem wilden Süden,
Reiner
Hans R

Raketenbauer

Hans R

Registriert seit: Jul 2007

Wohnort: Lkr. GP

Verein: Solaris

Beiträge: 144

Status: Offline

Beitrag 7520900 [Alter Beitrag17. Juni 2011 um 21:26]

[Melden] Profil von Hans R anzeigen    Hans R eine private Nachricht schicken   Hans R besitzt keine Homepage    Mehr Beiträge von Hans R finden

Hallo zusammen.
so, bin endlich dazugekommen das ganze in ein Gehäuse zu packen.Das Gehäuse ist ein BOPLA ET 235 der Akku ein 12 V 4,5A Bleigel

Grüßle aus dem wilden Süden,
Reiner
gexx

Raketenbauer

gexx

Registriert seit: Nov 2010

Wohnort: Marl

Verein: AGM

Beiträge: 133

Status: Offline

Beitrag 7643200 , Neuauflage - Wer hat Interesse [Alter Beitrag30. Juli 2018 um 23:06]

[Melden] Profil von gexx anzeigen    gexx eine private Nachricht schicken   gexx besitzt keine Homepage    Mehr Beiträge von gexx finden

Hallo zusammen,

hat noch jemand Interesse daran, ein 1215 aufzubauen?
Ich habe mit Arnd getextet. Er würde eine kleine Serie an Platinen neu auflegen, wenn ein paar Leute zusammenkommen.

Auch Änderungsvorschläge werden gern angenommen, um vielleicht das 1215 in die nächste Evolutionsstufe zu bringen wink

Wer Interesse hat, kann hier im Thread einfach die Liste mit seinem Namen erweitern
Ich fange mal an...
VG
Robert


---
Interessenten Platine Startgerät 1215

Robert

------

Seiten (2): [1] 2 »
[Zurück zum Anfang]
Du kannst keine neue Antwort schreiben