|
Arnd
Raketenbauer
Registriert seit: Okt 2003
Wohnort: Irgendwo in Deutschland
Verein: Dera.eV , AGM,T2
Beiträge: 159
Status: Offline
|
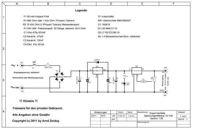
Hallo miteinander, Eigentlich fehlt hier ein Sub Forum für Bauberichte von Elektroniken, Deshalb stell ich diesen Baubericht einfach hier ein. @Administrator, bitte den Beitrag eventuell verschieben. Ich hab die Anfrage von Neil bezüglich seiner Frage "Referenzspannung für Digitale Multimeter" im Nachbarthread aufgenommen, und eine Spannungsreferenz entwickelt. Die 10 Volt Spannungsreferenz ist angelehnt an die Schaltung von Sprut und wurde an einigen Stellen angepasst. 0. Vorwort / Prolog Die Frage nach dem warum. Wie wohl die meisten Bastler sind stolzer Beisitzer eines oder mehrerer Digitaler Multimeter. Und wie jedes Gerät unterliegen auch Multimeter der Alterung. Irgendwann kommt der Zeitpunkt an dem man wissen will, wie genau misst mein Multimeter eigentlich noch? Eine Möglichkeit dieses heraus zu finden wäre es das Gerät an ein Professionelles Kalibierlabor zu senden. Nur leider übersteigen die Kosten meistens bei weiten den Wert des Messgerätes. Eine Alternative ist eine 10 Volt Spannungsreferenz. Hinweis. Diese Schaltung ersetzt nicht die im gewerblichen und industriellen Bereich vorgeschriebene Eich oder Kalibrierungsservice. Mit Hilfe des experimentellen 10 Volt Spannungsreferenz ist es auf relativ einfache weise möglich die Genauigkeit von Digitalen Multimeter zu bestimmen. Bei der Konzeption Spannungsreferenz wurde wie bei allen meinen Projekten größtmöglicher Wert auf Sicherheit, leichte Bedienbarkeit sowie leichten Aufbau gelegt, Die Spannungsreferenz ist ausgelegt für den Betrieb mit 15 Volt Gleichspannung oder Wechselspannung. Die Spannungsreferenz darf mit max. 10 milli Ampere belastet werden. Alle Angaben wie immer ohne Gewähr. Hier der Schaltplan. Cu Arnd
Geändert von Arnd am 20. Juni 2011 um 21:50
|
|
Arnd
Raketenbauer
Registriert seit: Okt 2003
Wohnort: Irgendwo in Deutschland
Verein: Dera.eV , AGM,T2
Beiträge: 159
Status: Offline
|
Und hier das Layout. Das Layout ist von der Bestückungsseite aus betrachtet. Cu Arnd
|
|
Arnd
Raketenbauer
Registriert seit: Okt 2003
Wohnort: Irgendwo in Deutschland
Verein: Dera.eV , AGM,T2
Beiträge: 159
Status: Offline
|
So, die Bauteile für die Spannungsreferenz sowie die Platine sind inzwischen eingetroffen, so das ich übers Wochenende etwas zum bauen hatte.:-) Cu Arnd
|
|
Arnd
Raketenbauer
Registriert seit: Okt 2003
Wohnort: Irgendwo in Deutschland
Verein: Dera.eV , AGM,T2
Beiträge: 159
Status: Offline
|
Die Platine ist inzwischen fertig aufgebaut und getestet. Der Spannungsregler wurde auf ein Kühlblech montiert. Dies ist zwar nicht unbedingt erforderlich, schaden kann es jedenfalls nicht. Um Übergangswiderstande von vorhinein zu vermeiden, ist der Referenz IC direkt eingelötet worden, und nicht wie sonst üblich gesteckt auf einem IC Sockel montiert. Die Anschlussleitungen vom IC zu den Messbuschsen sind ebenfalls nicht über Klemmen angeschlossen, sondern werden direkt auf die Platine sowie an den Buchsen an bzw. eingelötet. Cu Arnd
|
|
Arnd
Raketenbauer
Registriert seit: Okt 2003
Wohnort: Irgendwo in Deutschland
Verein: Dera.eV , AGM,T2
Beiträge: 159
Status: Offline
|
Die Platine ist heute in Ihr neues zu Hause eingezogen. Hier die Ansicht von vorne. Cu Arnd
Geändert von Arnd am 20. Juni 2011 um 21:43
|
|
Arnd
Raketenbauer
Registriert seit: Okt 2003
Wohnort: Irgendwo in Deutschland
Verein: Dera.eV , AGM,T2
Beiträge: 159
Status: Offline
|
Und hier die Ansicht von der Rückseite. Cu Arnd
|
|
Arnd
Raketenbauer
Registriert seit: Okt 2003
Wohnort: Irgendwo in Deutschland
Verein: Dera.eV , AGM,T2
Beiträge: 159
Status: Offline
|
Und noch die Ansicht von der Seite. Cu Arnd
|
|
Arnd
Raketenbauer
Registriert seit: Okt 2003
Wohnort: Irgendwo in Deutschland
Verein: Dera.eV , AGM,T2
Beiträge: 159
Status: Offline
|
Hier die ersten Messwerte. Der IC der 10 Volt Spannungsreferenz ist angegeben mit einem max. Fehler von 0,05 Prozent. Mittels des Trimmers kann man die Schaltung fein kalibrieren. Die Schaltung wurde so vorkalibriert, dass das Fluke Multimeter genau 10,00 Volt anzeigt. Testergebnisse. Fluke 7-300 10,00Volt Unitrend UT61-E 9,980 Volt Isotronic RE830A 10,02 Volt Billig DMM für 4,95 Euro vom Lebensmittel Discounter. Voltcraft GS 6510 9,99 bis 10,00 Volt DMM aus Mitte der 80er Jahre. Eigentlich erstaunlich wie genau selbst ein 4,95 Euro Billigteil von Isotronic sowie das über 25 Jahre alte Voltcraft Multimeter messen. Ein Kumpel von mir hat auf seiner Arbeitstelle ein hochgenaues Messgerät und eine Klimakammer. Da lass ich die Spannungsreferenz sowie eine Flasche Rotwein kalibrieren. Ich hoffe ich bekomm wenigstens die Spannungsreferenz zurück.;-) Cu Arnd
Geändert von Arnd am 20. Juni 2011 um 21:47
|
|
Arnd
Raketenbauer
Registriert seit: Okt 2003
Wohnort: Irgendwo in Deutschland
Verein: Dera.eV , AGM,T2
Beiträge: 159
Status: Offline
|
Für alle die die Schaltung nachbauen wollen. Ich werd von diesem Projekt ein Projekt Paket erstellen und auf meiner Homepage zum Download anbieten bzw. hier im Archiv hinterlegen. Und wie bei mir üblich. Alle meine Entwicklungen sind "Freeware für den privaten Gebrauch". Cu Arnd
Geändert von Arnd am 20. Juni 2011 um 22:07
|
|
Arnd
Raketenbauer
Registriert seit: Okt 2003
Wohnort: Irgendwo in Deutschland
Verein: Dera.eV , AGM,T2
Beiträge: 159
Status: Offline
|
Hier noch ein Bild vom fertigen Gerät. Cu Arnd
|
|
|